黑猫股份(黑猫股份最新消息)
(报告出品方/作者:中信证券 王喆)
▍ 国内第一、全球领先的炭黑龙头企业
锐意进取的炭黑龙头,产能规模居国内第一
国内炭黑龙头企业,具备炭黑产能 110 万吨。
黑猫股份成立于2001年 7 月,主要从事炭黑、焦油精制和白炭黑等产品的生产与销售。
公司现有江西、韩城、朝阳、乌海、邯郸、太原、唐山和济宁 8 个大型炭黑生产基地,具备炭黑产能 110 万吨/年,特种炭黑 2 万吨/年,沉淀法白炭黑 6 万吨/年,气相法白炭黑 2000 吨/年,煤焦油深加工能力 95 万吨/年。
产销量连续多年国内领先,产能规模目前已跻身全球炭黑企业前四位。
全国八大基地布局,向精细化、高端化发展。
2002-2014年,公司在全国范围内建立炭黑生产基地,充分发挥区域优势,扩张产能、扩大客户群体,完成全国八大生产基地布局。
2013年公司与青岛科技大学共同成立青岛黑猫,进行新型炭黑材料研究,向精细化、高端化领域发展。
2017年公司上马 2 万吨/年特种炭黑项目,提升产品经济附加值。
2019年公司与安徽时联合资成立乌海时联、山东时联,进行酚类化合物系列产品的生产加工。
股权结构集中,激励促进发展
公司实际控制人为景德镇市国资委,截至20201Q3合计持有公司 35.1%股份。公司核心团队均具备焦化、炭黑行业从业经验,带领团队创新进取,确保公司业务稳步开拓。
股权激励落地,促进企业发展。
公司2020年 9 月进行股权激励,激励对象共计 122 人,包括公司核心管理团队、高级管理人员及核心技术/业务人员。
股权激励计划的实施有助于吸引和留住优秀人才,激活公司管理活力,形成公司发展的"内在动力",有利于进一步完善公司治理结构,健全公司激励机制。
行业走出寒冬,盈利逐步回暖2019年下游需求走弱,行业普遍亏损。
2019年,受全球需求疲弱、国际贸易摩擦加剧、制造业景气度下滑等不利因素影响,全球经济增速显著放缓。国内汽车产业面临的压力也进一步加大,产销量等主要经济效益指标均呈现负增长,轮胎企业开工率较2018年也出现大幅下滑。
下游需求端的疲软,叠加全球经济增速放缓、国际贸易摩擦加剧、原油价格下行、炭黑行业新增产能释放等不利因素影响,炭黑产品价格出现较大幅度下跌,公司主营产品毛利率同比大幅下降。
2020年扭亏为盈,炭黑景气向上度过“阵痛期”。
2020年,随着国内新冠疫情得到有效控制,制造业大面积复产复工,中国供应全球的局面导致国内轮胎企业全球市场份额进一步提升,拉动炭黑需求。同时在环保监管政策趋严下,供给端开工多受限,供求关系趋紧,炭黑产品毛利率得到修复。
▍做大做精炭黑主业,循环利用优势凸显
供需格局预期向好,成本端支撑价格上行
炭黑是重要的工业生产原料。炭黑是碳元素的一种存在形式,一般由碳氢化合物在控制条件下通过不完全燃烧或者热分解产生,主要应用在橡胶制品、油墨涂料、塑料树脂等领域。
在橡胶制品中主要作为轮胎添加剂使用,起到增强剂、光稳定剂以及黑色颜料的作用,能够提高胶料的拉伸强度和撕裂强度等,改善胎面耐磨性,极大提高轮胎行驶里程;在油墨涂料中主要作为颜料使用;在聚合物及树脂中主要起到改善导电性能的作用。
长期看,炭黑需求景气度有望稳中向好。
国内每年供应的炭黑中约61%用于轮胎制造,因此炭黑的整体消费量受到下游轮胎生产情况的影响最强。轮胎的下游需求以替换需求为主,短期与经济活动的活跃度相关,长期与汽车保有量相关。
从全球汽车产业发展趋势来看,未来全球汽车保有量的不断提升有望奠定炭黑需求稳定增长的基础,而在树脂塑料等领域的应用拓宽则有望带来炭黑的需求新增量。
短期看,全球经济复苏有望拉动炭黑需求回暖。
2017-2018年,由于环保原因,国内炭黑开工率不足,炭黑库存较低。
2019年由于新增产能释放但下游需求疲软,炭黑库存持续走高。
2020年经历疫情之后的经济复苏,行业开工率逐步上行,行业库存回落。
2021年由于国内轮胎消费疲软,炭黑进入新一轮累库阶段,行业开工率下行。
展望2022年,随着国内经济复苏预期增强,炭黑需求有望逐步回暖。
供给端受政策严监管,未来供需存在边际收紧的预期。
炭黑行业属于国家发改委明确规定的高耗能行业,在“双碳”目标下,国家对于未来高耗能行业的发展予以严格限制,对于行业的节能环保、转型升级提出更高要求。
我国炭黑产能相对过剩,产品质量普遍较低且同质化明显。
在“双碳”的背景下,预计行业内落后产能有望逐步出清,未来国内炭黑供需格局存在边际向好预期。
全球炭黑集中度较高,供给侧改革有望加速市场头部集中。
从全球产能分布看,中国是全球炭黑主要生产国,占全球总产能近 50%;印度、欧洲、北美也存在相对丰富的炭黑产能。
从市场份额结构看,全球炭黑集中度较高,前五大企业合计占全球总产能的 40%,前三大巨头分别为卡博特、博拉、欧励隆,均为全球产能布局的国际化企业;黑猫以 6% 的产能份额位居全球第四位。
相对于海外相对集中的竞争格局,中国拥有全球数量最多的炭黑生产企业,其中多数产能规模在 10 万吨以下。
在能耗双控监管驱动的供给侧改革下,预计国内此部分小产能将面临出清压力,市场份额仍有向头部集中的预期。
成本端支撑较强,头部企业具备盈利能力优势。
煤焦油是生产炭黑的主要原材料,2020年以来高温煤焦油均价持续上升,对炭黑价格起到支撑作用。在成本上行的过程中,凭借产能规模、核心技术等形成竞争壁垒的龙头企业具备成本领先优势,在中小产能利润受挤压的状态下仍能保证盈利空间。
规模优势引发马太效应,资源循环技术占优
产能规模优势显著,形成稳定的全球头部轮胎企业客户群。随着下游轮胎产业集中度提升,头部轮胎企业对炭黑企业的生产规模和稳定供货提出了更高要求,大量中小企业因生产规模小、品质不稳定、成品率低等问题,不具备为下游一线轮胎厂商供货的能力。
公司炭黑年产能110万吨,为国内最大炭黑企业,具备成熟的生产工艺。凭借产能规模和生 产管理的优势,公司已形成了稳定的由头部轮胎企业组成的客户群。
产能持续扩张,进一步巩固龙头地位。
公司为进一步强化生产基地优势、充分发挥规模效应、降低炭黑生产成本、提升综合利用效益、促进循环经济发展,拟由乌海黑猫投资建设 2×6 万吨炭黑生产线及配套汽拖机组,公司预计项目总投资 1.80 亿元;拟由朝阳黑猫投资新建 1×4 万吨/年硬质炭黑生产线项目,公司预计项目总投资 1.13 亿元。项目建成后,公司炭黑产能将增加 16 万吨,进一步巩固在行业内的龙头地位。
加大自主创新力度,工艺技术行业领先。
公司通过不断开发和自主创新,目前综合技术水平在国内处于领先地位,达到国际先进水平。
公司年产 4 万吨炭黑生产装置采用自主创新的新工艺技术,使用 950℃高温空气预热器、新工艺非夹套式五段反应炉、2037℃炭黑反应工艺及配套炭黑尾气余热发电装置,资源综合利用率高,达到优质、高产、节能、环保之目的。
公司在青岛和乌海成立青岛黑猫炭黑科技有限责任公司以及内蒙古煤焦化新材料研究院有限公司,加大对科技研发的投入力度。
注重资源综合利用,具备循环经济优势。
公司将炭黑生产过程产生的大量尾气回收,进行发电或热能利用,反哺炭黑的生产用电和蒸汽;此举不仅减少废气排放,还能够产生经济效益,形成经济发展和环境保护的良性循环。
此外公司焦油精制生产的副产物沥青和废油通过配比后,成为炭黑生产的原料油,循环经济效益显著。公司现有的产业规模和技术有其它单一炭黑生产企业无法比拟的资源综合利用、循环经济优势。
行业节能减排标杆,“碳中和”下更具竞争力。
公司属于国内炭黑行业节能减排的标杆企业,充分利用尾气发电、安装余热锅炉、使用空气预热器等措施,降低燃料油和原料油的消耗。
同时公司在行业内率先推进炭黑废气余热发电锅炉脱硫脱硝装置及煤焦油除味装置应用,增强低值热能再利用。在生产中,公司采用反吹风袋滤器、湿法造粒等防止粉尘飞扬污染环境。
在能耗双控、“碳中和”的背景下,公司低能耗、低排放的领先技术将使其在行业中的竞争力进一步增强。
▍ 酚钠盐水变废为宝,拓展酚类精制业务
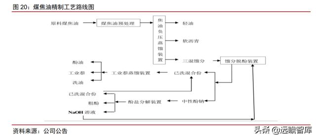
综合利用酚钠盐废水,延伸酚类产业链炭黑生产过程中,煤焦油精制环节环保压力大,酚钠盐废水处理难度高。
煤焦油精制环节会产生大量的中性酚盐溶液,约含有20~25%的酚类物质,通过蒸吹、酸化还原分离的方法可提取粗酚副产品。
但提取后剩下的酚钠盐废水仍含有高浓度的盐(25~30%的硫酸钠)及高浓度的酚(5000~15000mg/L),增加了酚钠盐污水处理难度。
随着近年来国内环保要求趋严及环保监管督查升级,中性酚盐溶液及提取粗酚后的酚钠盐废水的处理已成为煤焦油加工行业必须解决的问题。
公司与安徽时联合作,利用酚钠盐废水拓展粗酚提纯和酚精制业务。
安徽时联特种溶剂股份有限公司是一家拥有自主研发技术,具备完全处理高浓度含酚、含盐污水能力的公司,能够以粗酚为原料生产高品质的苯酚、邻甲酚、间对甲酚、间甲酚、对甲酚、二甲酚等高纯酚系列产品。
公司与安徽时联合作,通过参股设立合资公司的方式共同成立了乌海时联环保科技有限责任公司、山东时联黑猫新材料有限公司,有效解决炭黑生产过程中产生的酚钠盐废水,扩展粗酚提纯和酚精制等业务。
反倾销优化国内市场,助力公司减排增利
乌海时联具备 1 万吨间苯二酚产能。乌海时联使用乌海市及周边区域煤焦油深加工企业产生的中性酚盐废液提取酚类物质,生产精制高纯度酚系列产品,主要产品为间苯二酚,采用磺化碱溶工艺。
公司年产 1 万吨间苯二酚生产线已于2020年 8 月正式投产,产成品性能指标均达预期。生产所需的水蒸气等能源向子公司乌海黑猫采购,在减少子公司污水处理成本的同时可增加其资源综合利用收入。
间苯二酚主要应用于轮胎及建筑,具备较高附加值。间苯二酚是一种重要的化学合成中间体和精细化工原料,主要用于橡胶黏合剂和紫外线吸收剂的生产。此外间苯二酚还可用于生产木材黏合剂、阻燃剂和各种医药、农药的中间体等,具备较高附加值。
中国针对日、美间苯二酚进口征收反倾销税,国内市场竞争格局得到优化。
2013年 3 月,商务部决定对原产于日本和美国的进口间苯二酚征收反倾销税,实施期限 5 年;2018年 3 月对反倾销进行期终复审调查,调查结果决定自2019年 3 月起,对原产于日本和美国的进口间苯二酚继续征收反倾销税,实施期限 5 年。
山东时联规划苯酚、甲酚、二甲酚等系列产品。
山东时联规划了 12 万吨/年中性酚钠盐深度加工处理资源综合利用及 5 万吨/年粗(混)酚分离精制资源综合利用项目。项目一期包含混合酚(1.92 万吨/年)和混合甲酚(0.53 万吨/年),同时副产高温酚油(0.56 万吨/年)和硫酸钠(2.60 万吨/年);二期生产高纯度的单体酚成品,主要产品有:苯酚(1.87 万吨/年)、邻甲酚(0.64 万吨/年)、间甲酚(1.09 万吨/年)、对甲酚(0.54 万吨/年)、2,4-二甲酚(1808 吨/年)、2,5-二甲酚(800 吨/年)、2,6-二甲酚(248 吨/年)、3,4-二甲酚(427 吨/年)、3,5-二甲酚(2832 吨/年)等。
苯酚需求持续增长,进口苯酚征收反倾销税。
苯酚是可用于制取酚醛树脂、己内酰胺、双酚 A 等化工产品及中间体,在化工原料、烷基酚、合成纤维、塑料、合成橡胶、医药、农药、香料、染料、涂料和炼油等工业中有着重要用途。我国苯酚年度消费量逐年增长,2020年国产自给率为 77.5%。
2019年 9 月起,商务部对原产于美国、欧盟、韩国、日本和泰国的进口苯酚征收反倾销税,税率为10.6%-287.2%,征收期限为 5 年。
间甲酚国内供不应求,下游市场需求广阔。
间甲酚可用于生产农药中间体、树脂、塑料以及香料的中间体,也是生产维生素 E 的主要原料。全球间甲酚产能主要集中在海外,国内占比较少。国外生产厂家有美国沙索、德国朗盛、日本三井,国内主要有海华科技、东营海源、安徽时联。
反倾销助推国产化加速,间甲酚价格提振。
2019年 7 月,商务部对原产于美国、欧盟、日本的进口间甲酚进行反倾销立案调查,决定自2021年 1 月起,对原产于美国、欧盟及英国、日本的进口间甲酚征收反倾销税,实施期限为 5 年。反倾销政策落地后,间甲酚进口量显著下降,产品价格得到提振。
▍发力特种炭黑赛道,构筑高端产品壁垒
特种炭黑是高附加值产品,国内进口依赖度高特种炭黑是指能赋予制品特殊性能要求的炭黑。特种炭黑的应用领域广泛,包括塑料色母粒、油墨、导电与涂料等非橡胶行业。
随着炭黑在油漆、涂料、聚合物和电子设备中应用增加,特种炭黑在市场上的渗透程度不断加大。
国际大型炭黑生产企业均具备特种炭黑生产和研发能力,并由此构筑了较高的行业壁垒,获得了丰厚的投资收益,是炭黑产品升级的主要方向。
特种炭黑具备高附加值,我国在此领域主要依赖进口。
从消费结构看,2020年全球特种炭黑在整体炭黑中的消费占比不足10%,美国占比13%,中国约8~9%。
但特种炭黑由于生产工艺相对复杂,具备精细化、专用化的特点,属于高端类炭黑,具备较高附加值。
以色素用特种炭黑为例,目前国内高色素特种炭黑市场价格为17200元/吨,中色素价格为14400元/吨,而普通炭黑价格仅为9000~9600元/吨。特种炭黑是未来炭黑行业的升级方向,能够帮助企业构筑较高壁垒。
目前国内炭黑企业仍以生产中低端、低毛利的普通炭黑为主,特种炭黑供给量及竞争能力仍有较大成长空间。
导电炭黑是一类重要的特种炭黑,具备较大发展空间。
炭黑在塑料工业中的重要应用之一是在电子领域。由于树脂本身不具备导电性,为了生产具备一定导电性能的塑料,通常需要向塑料中添加导电炭黑,使其具有所需的导电特性。
以 EVA 薄膜为例,当材料中的导电炭黑含量超过20%以后,产品的导电性能会出现显著提升。同时除了为塑料提供导电性外,特种炭黑还能够为塑料提供防紫外线降解等保护性功能。
新能源车驱动轮胎性能升级,对炭黑品类也提出更高要求。
首先,由于附加电池组后电动车的重量较同尺寸的燃油车更重,因此电动车轮胎必须采用加固结构以承受额外重量;其次,为了降低能量损耗,电动车轮胎需具备相对较小的滚动阻力;同时为了保证行驶安全,轮胎的抗湿滑性、耐磨性也不能受损。
添加了特种炭黑的绿色轮胎可以成为电动车轮胎的解决方案之一,其特点是滚动阻力低,相比普通轮胎下降5%~6%,可降低车辆燃料消耗1%左右,而同时能够保证抗湿滑性能、抗冰雪滑性以及耐磨性能。
储备特种炭黑技术,加快产品转化推广
进军特种炭黑市场,具备 2 万吨特种炭黑产能。公司为丰富炭黑产品结构、解决产品单一性问题,加快产品升级,2017年通过内蒙古煤焦化工新材料研究院有限公司新建 2 万吨/年特种炭黑项目,总投资额 1.90 亿元。
该项目于2017年底竣工,2018年投产。
特种炭黑产能的扩充有效丰富公司产品序列,提升炭黑整体盈利水平及公司综合竞争力。设立青岛新材料研究院,加大特种炭黑研发力度。
2017年,为进一步提升公司创新能力,构建碳材料及其复合材料的研发、中试及产业化平台,公司设立青岛黑猫新材料研究院有限公司。
并由新材料研究院投资建设新材料研发及生产中试基地以及国际合作技术创新中心,包括2 座新材料中试生产线及厂房,2019年中试项目一期顺利投产,二期项目有序推进。
此次新材料领域布局进一步提升公司在绿色环保复合碳材料和纳米复合材料领域的研发及转化能力。
新材料研究院主要在研项目为特种炭黑及复合炭黑,如高端导电炭黑,高端水性色素炭黑等产品。
发展高端绿色轮胎填充材料,加快白炭黑、低滞后炭黑产品应用。
沉淀法白炭黑已被广泛认可并应用于绿色轮胎制造,主要用于轮胎胎面,能够提升产品的强度及耐磨性。而低滞后炭黑与普通炭黑相比聚集体直径分布较宽,有利于提高胶料的有效填充密度,降低胶料的滚阻。公司在此领域有一定的技术积累,可作为未来发展的隐含推进器。
合资成立新材料合肥公司,快速切入颜料用特种炭黑赛道。
为了进一步丰富公司特种炭黑产品结构,打造新的利润增长点,公司拟与安徽黑钰出资成立黑猫新材料(合肥)有限公司,公司持有 60%股权。
安徽黑钰是国内专业生产特种炭黑的国家级高新技术企业,主要销售方向为高中档涂料市场、油墨色浆市场、高档塑料市场;同时在导电/超导电炭黑领域也有一定的研发项目与技术储备。
安徽黑钰现有 4 条特种炭黑生产线,设计产能规模 2.5 万吨/年,现有产能 1.5 万吨/年。新材料合肥公司成立后,将购买安徽黑钰现有的主要固定资产并承接其无形资产,迅速切入高端特种炭黑市场。
▍风险因素
1)炭黑下游需求增长不及预期;2)原材料价格波动剧烈;3)公司产能扩张计划迟滞; 4)公司特种炭黑产品推广遇阻。
▍盈利预测、估值
盈利预测
炭黑产品:从需求端来看,全球炭黑需求主要集中在轮胎制造领域,未来随着汽车保有量及轮胎需求提升,炭黑消费有望稳中向好;
从供给端看,在国内能耗双控、“双碳”政策的指引下,行业内落后产能将逐步出清,市场份额有望向头部不断集中。
因此我们看好炭黑产品维持供需相对紧平衡的状态,公司作为头部企业有望逐步抢占市场份额。我们预测公司炭黑产销量将维持增长趋势,产能利用率进一步提升。
从利润端看,随着未来行业竞争格局逐步向好,产品利润中枢有望上行。同时考虑到公司在高端特种炭黑赛道的布局,炭黑业务整体毛利率水平有望逐步提升。
焦油精制产品:公司焦油精制产品主要为炭黑生产的副产物,未来随着炭黑生产规模的逐步扩张,焦油精制产品收入也有望实现稳步增长,利润率预计维持相对稳定水平。
预计公司2021-2023年营业收入分别为74.62/74.34/78.98亿元,归母净利润分别为5.03/6.13/7.15亿元,对应EPS预测分别为0.67/0.82/0.96元。
估值
黑猫股份是国内炭黑龙头企业,炭黑产能全国第一,同时拥有白炭黑、特种炭黑业务布局。我们选取 A 股上市公司中从事炭黑、白炭黑、特种炭黑生产的确成股份、联科科技、永东股份、龙星化工作为估值可比公司。
PB估值法由于我们选取的可比公司中,多数公司缺乏市场盈利预测一致预期,考虑到炭黑行业发展相对成熟、下游需求及商业模式也相对稳定,我们参考行业整体的历史估值水平对公司进行估值。
同时,考虑到炭黑行业历史上整体利润波动较大,周期性明显,我们选取对利润周期性变化相对不敏感的PB估值法对公司进行估值。
炭黑行业历史平均PB为3.0x,均值±1倍标准差的PB区间为1.8x-4.3x。
我们预计炭黑行业供需格局有望逐步向好,看好盈利能力提升,我们选取行业平均PB作为估值参考,给予公司2022年3xPB。
我们预计2022年公司归母净资产为34亿元,对应目标市值100亿元,对应目标价13.5元。
DCF估值法由于可比公司缺乏盈利预测,我们选取绝对估值法对公司进行估值。以下我们将对DCF模型中所涉及的参数进行合理假设,并最终计算公司的合理股权价值。
1)Rf:为无风险利率,在近1年10年期国债利率平均水平的基础上适度上浮,参数为3.15%;
2)Rm:为市场投资组合预期收益率,在近五年沪深300指数收益率的基础上适度上浮,参数为8.65%;Rm-Rf即可得到股权风险收益率,数值为5.50%;
3)β系数:为公司相对于市场的风险系数,我们选取公司上市以来的β系数1.10作为估值使用参数。
4)Ke:即公司股权收益率,根据CAPM模型,即Ke=Rf+β*(Rm-Rf)=9.20%;
5)Kd:即公司债券收益率,参考目前公司的有息债务成本,数值为7.00%;
6)所得税税率:我们在计算WACC时以15%的所得税税率作为公司所得税税率;
7)D/(D+E):公司目前资产负债率为50%,考虑到未来公司留存收益积累及负债陆续偿还,我们假设目标资产负债率为30%;
8)WACC:根据公式计算得出WACC=8.23%。
9)永续增长率:考虑到炭黑行业发展成熟,需求相对稳定,出于谨慎性原则,假设永续增长率为0%。
根据DCF估值模型,我们计算公司股权价值为120亿元,对应每股价格为16.0元。
综合考虑 PB 估值和DCF估值方法,按照谨慎性原则,给予公司目标价13.5元(对应2021年20xPE)。
—————————————————————
请您关注,了解每日最新的行业分析报告!
报告属于原作者,我们不做任何投资建议!
如有侵权,请私信删除,谢谢!
获取更多精选报告请登录【远瞻智库官网】或点击:智库官网|文库首页-远瞻智库·为三亿人打造的有用知识平台

微信扫一扫打赏
支付宝扫一扫打赏
